Ein DC-Motor mit Schneckengetriebe eignet sich für hohe Drehmomente und niedrige Drehzahlen. Obwohl ein Schneckengetriebemotor hohen Belastungen standhält, bleibt er leise im Lauf. Zudem ist er optimal eingesetzt, wo eine gewisse Selbsthemmung gefordert ist, aber auf zusätzliche Bremsen verzichtet werden sollen. Das oft Entscheidende: Ein Schneckengetriebemotor ist leistungsfähig und preisgünstig zugleich. Lassen Sie uns über Ihren Anwendungsfall reden, wenn Sie zunächst an einen teureren BLDC-Motor denken. Im genauen Vergleich der Anforderungen und Kosten haben wir schon manchen Kunden zum Staunen gebracht.
Schneckengetriebemotore
Baureihe SWMV Motor-Typ 405747

Motor Typ | 405747 |
---|---|
Art | DC |
Nennspannung (VDC) | 24 |
Leistung (W) | 192 |
Leerlaufdrehzahl (Upm) | 35 |
Nenndrehzahl (Upm) | 30 |
Nenndrehzahl 2 (Upm) | 58 |
Nenndrehmoment (Nm) | 10 |
Getriebelage | L |
Getriebeübersetzung | 46:1 |
Welle 1 | W932 |
Schaltbild | S210 |
Anschluss | K950 |




Technische Beschreibung
Motorgehäuse: rolliert, korrosionsgeschützt
Magnetfeld: Permanentmagnet
Lagerung Anker, A-Seite: Kugellager
Lagerung Anker, B-Seite: Kalottenlager
Getriebe: Schneckenrad
Getriebegehäuse: Zinkdruckguß
Getrieberad: Kunststoff oder Hartgewebe oder Bronze
Getriebeschmierung: Fett, Dauerschmierung
Schnittstelle mechanisch: Abtriebswelle
Schnittstelle elektrisch: Stecker oder Litzen mit Stecker oder Litzen verzinnt
Hinweise
Modifikation der Abtriebswelle mit Passfeder- oder Scheibenfedernut, Flächen oder zusätzlichem Innegewinde.
Anbau von Hall-IC, Encoder, Tacho oder Bremsen auf Anfrage möglich.
Auch montieren und liefern wir Motore mit von Ihnen vorgegebenen Anbauteilen, wie z.B. Gummi-Metall-Puffer, Kupplung oder Haltewinkel.
SALE | Abverkauf von Schneckengetriebemotoren zu Sonderpreisen
Räumung von übrigen Lagerbeständen aus Kundenprojekten

Schneckengetriebemotor DCK31 405072 | SALE
Eckdaten zum Schneckengetriebemotor Baureihe DCK31 Motortyp 405072
- DC-Motor
- Nennspannung (VDC): 24
- Leerlaufdrehzahl (UpM): 56
- Nenndrehmoment (Nm): 10
Lagerbestand: 794 Stück
Sonderpreis: 20,00 Euro Stückpreis zzgl. MwSt. und Versand
(Stückpreis ab Abnahmemenge von mind. 200 Stück)

Schneckengetriebemotor SWMK 404135 | SALE
Eckdaten zum Schneckengetriebemotor Baureihe SWMK Motortyp 404135
- DC-Motor
- Nennspannung (VDC): 24
- Leerlaufdrehzahl (UpM): 110
- Nenndrehmoment (Nm): 6.3
Lagerbestand: 353 Stück
Sonderpreis: 25,00 Euro Stückpreis zzgl. MwSt. und Versand
(Stückpreis ab Abnahmemenge von mind. 100 Stück)

Schneckengetriebemotor SW2K 404488 | SALE
Eckdaten zum Schneckengetriebemotor Baureihe SW2K Motortyp 404488
- DC-Motor
- Nennspannung (VDC): 24
- Leerlaufdrehzahl (UpM): 240
- Nenndrehmoment (Nm): 2
Lagerbestand: 269 Stück
Sonderpreis: 50,00 Euro Stückpreis zzgl. MwSt. und Versand
(Stückpreis ab Abnahmemenge von mind. 100 Stück)
Der passende Schneckengetriebemotor in nur drei Schritten

Sie brauchen den passenden Schneckengetriebemotor für Ihren Anwendungsfall. Ihre Muss-Kriterien: Leise und mit gewisser Selbsthemmung.

Passend zu Ihrer Spezifikation zeigen wir Ihnen den idealen Schneckengetriebemotor. Sie bekommen alle Detailzeichnungen und Kennlinien. Auf Wunsch testen wir ihn auch auf unserem Motorprüfstand.
Anwendungsfelder für den Schneckengetriebemotor
Landwirtschaftliche Maschinen, Torantriebe, Werkzeugmaschinen, Sonderfahrzeugbau, Haushaltsgeräte, Hubsyteme, Liftersysteme, Positioniersysteme wie z.B. ein Röntgentischbogen, Automatensysteme, Sortiersysteme, Sicherheitsbügel etc.
Automatisierung in Industrie und Haushalt
Alle diese Anwendungen haben gemeinsam, dass es oft Lastwechsel gibt und eine gute Justage bei der Positonierung erforderlich ist. Da ein Schneckengetriebemotor durch seine direkte Übersetzung zwischen Schneckenwelle und Schneckenrad deutlich weniger Getriebespiel hat und gleichzeitig Reibung entsteht, verfügt er schon rein konstruktiv über eine Selbsthemmung. Er kann angefahrene Positionen halten, was in einigen Anwendungsfällen den Einbau zusätzlicher Bremsen erspart. Natürlich wird aus Sicherheitsaspekten z.B. bei Kettenzügen trotzdem eine Bremse verbaut, die allerdings niedriger dimensioniert sein kann.

Anerkannte Vorteile von Schneckengetriebemotoren
Drehmomentstark
Robuste Bauweise
Leiser Betrieb
Geringes Axialspiel
Selbsthemmend
Langlebig
Kostengünstig
Weitere Pluspunkte eines Schneckengetriebemotors
- Ein Schneckengetriebemotor ist kompakt, denn er bietet eine große Übersetzung in kleinem Gehäuse.
- Da er immer um 90 Grad abgewinkelt (rechts oder links) ist, ist er oft platzsparender in der Länge als andere BLDC- und DC-Motore.
- Bei größeren Lasten im Bereich von 5-10 Nm ist er noch kleiner als ein Planetengetriebemotor und zudem deutlich kostengünstiger.
Unser Hauptlieferant, Hersteller der meisten unserer Schneckengetriebemotore, sichert die perfekte Abstimmung zwischen Motor und Getriebe ab, so dass diese DC-Motoren nachweislich den genannten Belastungen standhalten.
Schneckengetriebemotor - in diversen Baureihen
Bei uns finden Sie den passenden Schneckengetriebemotor in diversen Baureihen, die Ihnen die Auswahl erleichtern werden. Die Gruppierung in Baureihen sagt beispielsweise etwas über die jeweilige Bauform und identische Getriebeteile aus.
Bei uns finden Sie den passenden Schneckengetriebemotor in diversen Baureihen, die Ihnen die Auswahl erleichtern werden. Die Gruppierung in Baureihen sagt beispielsweise etwas über die jeweilige Bauform und identische Getriebeteile aus.
Technische Beschreibung der Schneckengetriebemotore
- Motorgehäuse: verzinkter oder lackierter Stahl
- Magnete: Sintereisen
- Ankerwellenlager: Sinterbronzebuchsen / Kugellager
- Getriebegehäuse: Kunststoff- oder Alu-Zink-Spritzguss
- Schnecke: Stahl
- Schneckenrad: Kunststoff, Stahl oder Bronze
Katalog mit den Baureihen unserer Schneckengetriebemotore
Halten Sie den Katalog zu den Baureihen unserer Schneckengetriebemotore immer zur Hand. Auf wenigen Seiten finden Sie als guten Überblick die technischen Daten zu den Motortypen der verschiedenen Schneckengetriebemotor-Baureihen. Physische Angaben und Leistungsdaten wie auch Informationen zu den Schnittstellen.
Download >> Katalog Schneckengetriebemotore mit allen Baureihen
Schneckengetriebemotor - Einsatz in vielen Branchen
- Maschinenbau
- Fahrzeugbau
- Fertigungsindustrie
- Medizintechnik und Reha-Technik
- Verpackungsindustrie
- Papierindustrie
- Gebäudetechnik
- Wartung und Instandhaltungsindustrie
- Automatenbau
- Veranstaltungstechnik
- Haushaltselektronik
Anwendungsspezifische Zusatzausstattung
Ein DC-Getriebemotor allein deckt oft noch nicht alle Anforderungen ab. Unser Engineering-Team überlegt mit Ihnen zusammen, was zusätzlich gebraucht wird oder welche Variante wir für Sie speziell zusammenbauen können, falls Ihr Standardlieferant Lieferschwierigkeiten hat oder er alte Baureihen abgekündigt hat. Solche Anfragen erhalten wir häufiger und fast immer finden wir die ideale Lösung.
- Wenn Sie im mechanischem Aufbau eine Adaption brauchen, dann wechseln wir beispielsweise die Hohlwellen aus.
- Wenn Sie eine Motorsteuerung für Vor- und Rücklauf ergänzen wollen, dann haben wir im Sortiment die passende Steuerung oder wir lassen sie bei außergewöhnlichem Funktionsumfang sogar nach Spezifikation anfertigen.
- Brauchen Sie Gehäuse für Temperatursensoren oder Thermoschalter? Wir produzieren sie passgenau mit unseren eigenen 3D-Drucksystem.
So oder so: Sie bekommen von uns komplett montierte Antriebssysteme für den Einbau. Und wenn es auch nur am das Anlöten eines Kabels geht - wir liefern Ihnen die elektrische Antriebstechnik dank unserer zuverlässigen Distributionslogistik einbaufertig und pünktlich.

Technische Beratung
Misel Korcanin
misel.korcanin@elektromotore.eu
"Kniffelige Technikfragen rund um einen Schneckengetriebemotor? Darauf freue ich mich immer besonders, denn damit kenne ich mich bestens aus. Schildern Sie mir einfach, was Sie brauchen!"
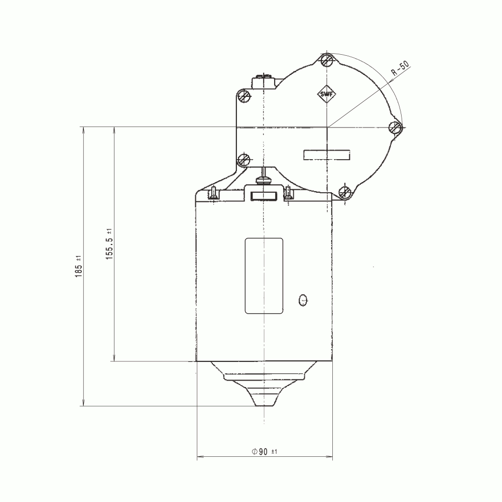
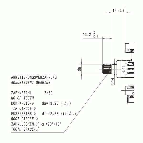
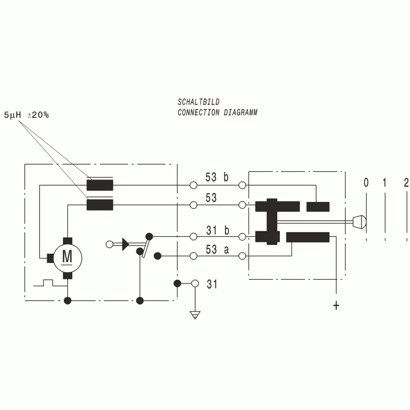
Schneckengetriebemotor - mit allen zugehörigen Einbau- und Anschlussdetails




Zu jedem Schneckengetriebemotor bekommen Sie von uns die zughörigen Schemazeichnungen sowie die Informationen zu Schaltung und Anschluss. Ebenso zeigen wir Ihnen die verschiedenen, einsetzbaren Antriebswellen auf.
Kennlinien für jeden Motortyp aller Schneckengetriebemotor-Baureihen
Wir geben Ihnen für jeden Motortyp die Motor-Kennlinien mit unserem standardmäßigem Belastungsprofil oder auch mit individuellen Anforderungen, wie Sie es für Ihren Anwendungsfall brauchen.
- Die Motor-Kennlinien zeigen auf der X-Achse das Drehmoment, die rechte Y-Achse zeigt die Drehzahl (blau) und die linke Y-Achse die Stromaufnahme (rot).
- Auf dem JBW Motorprüfstand steigern wir mit der Bremse die Belastung, so dass der Motor immer langsamer wird (die blaue Drehzahl-Linie sinkt). Da er weiterdreht, steigt der Stromverbrauch (die rote Linie steigt).
- Solche Motor-Kennlinien offenbaren also das Verhalten des jeweiligen Motortyps.
Wie funktioniert ein Schneckengetriebe?

Motor-Baureihe DCK 31
Schneckenwelle und Schneckenrad
Der Antrieb der meisten Anwendungen erfolgt über ein leistungsstarkes, hochpräzises Schneckengetriebe, das Schraubantrieb mit Zahnradantrieb vereint. Die stählerne Schneckenwelle mit ihrer aufgesetzten Schnecke, einem linearen Schraubgewinde, greift gleich mit mehreren Zähnen gleichzeitig in die Lücken des Schneckenrads, einem Zahnrad aus Metall oder Kunststoff. Die Achsen der beiden sind zumeist um 90 Grad versetzt ausgerichtet. Aber auch leichte Achsversätze zwischen An- und Abtrieb gleicht dieses Getriebe zuverlässig aus. Beide Drehrichtungen sind über links- bzw. rechtssteigende Schneckengewinde möglich. Während der gleitenden Drehungen berühren sich Schneckenwelle und Schneckenrad permanent. Deshalb ist das Schneckengetriebe das geräuschärmste, das zudem mit dem verzahnten Antrieb eine hohe Kraftübertragung auf engem Raum generiert und starke Belastbarkeit sichert.
Hier im Bild sehen Sie den Schneckengetriebemotor 404.864 der Baureihe DCK31. Bei ihm liegt die Ankerdrehzahl bei ca. 5000 U/min und die Schneckenwelle dreht identisch. Durch die Getriebeübersetzung von 1:69 erreicht die Motorwelle eine Drehzahl von rund 70 U/min. Das Übersetzungsverhältnis berechnet sich aus der Anzahl der Zähne am Schneckenrad und der Gangzahl der Schneckenwelle.
Verringerte Gleitreibung
Unser Hersteller und Lieferant von kompletten Schneckengetriebemotoren, die japanische Unternehmensgruppe NIDEC, meistert gekonnt mit den erhöhten Anforderungen an den Produktionsprozess in Bezug auf Präzision und Oberflächenbeschaffenheit, denn diese beiden Kriterien zusammen verringern die Reibung. Wegen der Gleitreibung sind Schnecke und Schneckenrad auch aus unterschiedlichen Materialien gefertigt: Die größerem Verschleiß ausgesetzte Schnecke besteht z.B. aus gehärtetem Stahl besteht, während das Schneckenrad oft aus weicheren Materialien wie Messing, Bronze oder einem selbstschmierenden Kunststoff hergestellt ist. Ein geeigneter Schmierstoff sorgt bei Dauerbetrieb dafür, die Wärme abzutransportieren, die sich durch den niedrigen Wirkungsgrad bei hohen Übersetzungen entwickelt.

14.02.2020 | Neues DCK-Motorgehäuse
Bedingt durch einen Lieferantenwechsel beim Hersteller der DCK-Schneckengetriebemotore ab KW 07/2020 werden die Motorgehäuse gerollt statt tiefgezogen produziert. Dadurch verändert sich nur leicht die Außenkontur des Gehäuses wie das Bild zeigt. Es ändert sich NUR das Gehäuse, d.h. alle anderen Komponenten wie auch alle Prozesse beim Hersteller bleiben unverändert. Zukünftig gibt es somit nur noch ein einziges Gehäuse für alle DCK-Motore. Die Änderung wurde durch den Motor-Hersteller getestet und die Funktionalität bleibt dieselbe. Die Zeichnungen werden uns nach dem Update vom Hersteller zur Verfügung gestellt.

Schneckengetriebemotor | Ihre Fragen und Antworten
Dieser Katalog liefert den Überblick zu den Motortypen der verschiedenen Schneckengetriebemotor-Baureihen. Jede Baureihe ist auf einer Seite mit den technischen Daten wie physische Angaben, Leistungskriterien, Anschlüssen etc. wie auch mit Foto und Zeichnung angelegt.
Das hängt vom jeweiligen Getriebemotor ab, aber meistens ist das machbar.
Dies kommt auf die verwendete Übersetzung in der Schneckenstufe an. Ein Schneckengetriebe ist nicht grundsätzlich selbsthemmend, denn es hängt von Lastfall und Übersetzung ab.
Wegen des mechanisch einfachen Aufbaus mit seiner direkten Übersetzung gilt der Schneckengetriebemotor als sehr robust. Bei dauernder Überlast kann aber auch dieser Motor nicht ewig durchhalten. Lebensverlängernd gibt es verschiedene Möglichkeiten z.B. mit speziellen Fetten je nach Anwendung.
Bitte senden Sie uns eine E-Mail an info@elektromotore.eu mit Ihren Kontaktdaten und zu welchem Motor Sie das CAD-Modell brauchen. Wir senden Ihnen dann gern die Datenmodelle zu oder kontaktieren Sie bei Nachfragen.
Interessantes aus der Presse
Direktgekühlter Elektromotor aus Kunststoff
Alles soll nicht nur immer kleiner, sondern auch leichter werden. Das betrifft dann die Bauteile der Antriebstechnik. Die Fraunhofer Gesellschaft erforscht zukünftige Alternativen im Kontext mit dem Elektroauto. Spannend ist, was faserverstärkte Kunststoffe und ein neuartiges Kühlkonzept leisten können.