Ein standardisierter Planetengetriebemotor passt bestens für alle Anwendungen, die niedrige Abtriebsdrehzahlen und ein hohes Drehmoment erfordern. Ein DC-Motor mit Planetengetriebe ist in allen Baureihen kompakt und leistungsstark. Optional ist jeder Planetengetriebemotor mit Hall-IC und anderen Bauteilen erweiterbar.
Planetengetriebemotore
Baureihe P021032 Motor-Typ P021032.0316.00
 
            | Motor Typ | P021032.0316.00 | 
|---|---|
| Art | DC | 
| Nennspannung (VDC) | 24 | 
| Leistung (W) | 2.64 | 
| Leerlaufdrehzahl (Upm) | 24 | 
| Nenndrehzahl (Upm) | 20 | 
| Nenndrehmoment (Nm) | 0.25 | 
| Getriebeübersetzung | 316:1 | 
| Getriebelänge (mm) | 25.35 | 
| Drehrichtung | L/R | 
| Welle 1 | W506 | 
| Schaltbild | S506 | 
| Anschluss | K506 | 
 
            
                 
            
            
            
                 
            
            
                 
            
        Technische Beschreibung
Motorgehäuse: Metall
Magnetfeld: Permanentmagnet
Lagerung Anker: Kugellager oder Gleitlager
Getriebe: Planetengetriebe
Getriebegehäuse: Metall
Getrieberad: Messing oder Stahl
Getriebeschmierung: Fett, Dauerschmierung
Schnittstelle mechanisch: Abtriebswelle
Schnittstelle elektrisch: Kabel verzinnt, Kabel mit Stecker oder Lötösen
Hinweise
Modifikation der Abtriebswelle mit Passfeder- oder Scheibenfedernut, Flächen oder zusätzlichem Innegewinde.
Anbau von Hall-IC, Encoder, Tacho oder Bremsen auf Anfrage möglich.
Auch montieren und liefern wir Motore mit von Ihnen vorgegebenen Anbauteilen, wie z.B. Gummi-Metall-Puffer, Kupplung oder Haltewinkel.
SALE | Abverkauf von Planetengetriebemotoren zu Sonderpreisen
Räumung von übrigen Lagerbeständen aus Kundenprojekten

Planetengetriebemotor P044066.0024.12 | SALE
Eckdaten zum Planetengetriebemotor P044066.0024.12
- DC-Motor
- Nennspannung (VDC): 12
- Leerlaufdrehzahl (UpM): 248
- Nenndrehmoment (Nm): 0.98
Lagerbestand: 3.900 Stück
Sonderpreis: 10,00 Euro Stückpreis zzgl. MwSt. und Versand
(Stückpreis bei Abnahme der kompletten Menge)


Neu im Produktkatalog | BLDC-Motor mit neuem Planetengetriebe
Die neue Baureihe P042066 bringt einen BLDC-Motor kombiniert mit einem neuen Planetengetriebe in zwei Varianten. Beide Varianten haben Doppelkugellager und verstärkte Planetenräder.
Technische Daten des LN-Planetengetriebes
- Spannung: 24 VDC
- Drehzahl: 11 bis 800 UPM
- Nenndrehmoment: 0,5 bis 13,2 Nm
- Getriebe mit zwei Kugellagern und verstärkten Planetenrädern
- Eine Variante mit schräg verzahnten Kunststoffrädern in der ersten Stufe
Vorteile dieses LN-Planetengetriebes
- hohe Drehmomente
- hoher Wirkungsgrad
- geringes Getriebespiel
- geringes Geräusch bei der Varianten mit Kunststoffrädern
Einsatzgebiete
- In hochpräzisen Anwendungen, die geringes Getriebespiel erfordern, z. B. bei der Positionierung von Laseroptiken, bei Geräten zur mechanischen Bearbeitung oder bei Kommissionierunganlagen.
- Die Variante mit den Kunststoff-Planetenrädern findet vor allem bei geräuschsensitiven Anwendungen seinen Einsatz.
Warum braucht ein Hersteller dieses LN-Planetengetriebe?
- Ein LN-Planetengetriebe ist dem herkömmlichen Planetengetriebe technisch in allen Bereichen weit überlegen. Vor allem, wenn es elektronisch angesteuert wird, denn die Daten lassen sich viel präziser verwerten.
- Ein LN-Planetengetriebe kennt weitestgehend nicht mehr die Schwächen eines herkömmlichen Planetengetriebes.
Unterschiede des LN-Planetengetriebes zu herkömmlichen Planetengetrieben

Doppelkugellager
- Hält bei Radialkräften besser stand, z.B. montierter Riemenscheibe.
- Schutz der Planetenräder vor Überlastung
- Deutliche erhöhte Lebensdauer
- Höhere Kraftübertragung möglich
Verstärkte Planetenräder
- Verbesserte Kraftverteilung durch breitere Auflageflächen

Kunststoffräder in der ersten Stufe
- Schrägverzahnte Planetenräder
- Greifen stufenweise ein
- Sanfter Übergang der Kräfte
- Reduzierte Vibrationen und Stoßbelastungen
- Geringe Geräusche
- Weniger Verschleiß

Vergleich
- Links ein herkömmliches Planetengetriebe mit einem Kugellager und schmaleren Planetenrädern
- Rechts das LN-Planetengetriebe mit doppelten Kugellagern und verstärkten Planetenrädern (hier Variante mit schrägverzahnten Kunststoffrädern)
Zwei weitere Ankündigungen neuer Planetengetriebemotore

BLDC-Planetengetriebemotor der Baureihe P016024
Präziser Antrieb durch optimalen Rundlauf der Spindel
Spindelmotore - in der moderner Technik unverzichtbar
- Spindelmotore arbeiten hochpräzise mit besten Ergebnissen in puncto Qualität, Produktivität, Prozesssicherheit, Werkstückgenauigkeit, Oberflächenqualität
- Die Spindellager sichern den nahezu spielfreien Rundlauf der Spindel und halten hohe radiale und axiale Belastungen aus.
- Die geringe Massenträgheit der Spindel ermöglicht hohe Drehzahlen wie auch optimale Beschleunigung.
- Spindelmotore beinhalten alle benötigten Bauteile in kompakter Form.
Vorteile eines Spindelmotors
- Kompakte und platzsparende Bauart
- Hoher Wirkungsgrad
- Hohe Betriebs-Prozesssicherheit
- Hohe statische und dynamische Steifigkeit
- Hohe Rundlaufgenauigkeit
- Geringe Reibungsverluste
- Geringer Verschleiß
- Geringer Wartungsbedarf
Anwendungen für Spindelmotore
Spindelmotore finden in fast allen Industriezweigen ihr Einsatzfeld.

DC-Planetengetriebemotore der Baureihe P016025
Für spezielle Anwendungen mit Sonderwelle
Planetengetriebemotore mit Innensechskantwelle für einfache, schnelle und kostengünstige Adaptierung
- Drehmomentübertragung durch speziellen Flansch
- Optimale Kraftübertragung durch formschlüssige Welle-Nabe-Verbindung, ohne Verwendung von Madenschrauben oder ähnlichen Verbindungselementen
- Keine Materialschwächung durch Splintverbindung etc.
- Dank der Motorgeometrie einfach einsteckbar und austauschbar
Vorteile dieses Planetengetriebemotors mit Innensechskantwelle
- Sehr leises Laufgeräusch, dadurch optimal im häuslichen Alltag integrierbar
- Präzises, kompaktes, effizientes und energiesparendes Arbeiten durch geringe Stromaufnahme
- Geringer Platzbedarf durch kompakte Bauweise
- Einfache Wartung
Anwendungen | Smart-Home-Automation
- Rollo, Markise, Jalousie
- Beleuchtung
- Heizung
- Kamera
Unser bester Planetengetriebemotor für Sie in nur drei Schritten

Sie brauchen einen DC-Getriebemotor für Ihren Anwendungsfall, wo der Bauraum nur einen inline Einbau zulässt. Ihre weiteren Muss-Kriterien: Starke Kräfte und starke Abtriebskraft.

Passgenau zu Ihrer Spezifikation zeigen wir Ihnen den optimalen Planetengetriebemotor. Sie bekommen alle Motorabmessungen und Motorschemata wie auch gewünschte Kennlinien. Wenn nötig, dann testen wir den Motor auch noch ausführlich auf unserem Motorprüfstand.
Anwendungsfelder für Planetengetriebemotor
Automatisierung in Industrie und Haushalt
Klappenantrieb, Ventilantrieb, Automatische Zuziehhilfe oder Öffnungshilfe für Türen, Verriegelungssystem, motorisiertes Werkzeug, Positioniersystem, Stellantrieb, Hubsystem, Linierantrieb, Displayverstellung, Modellbau, Mühlen; Trocknungsprozesse in der Baustoffindustrie, Befüllungsprozesse in der Zementindustrie, langsam laufende verfahrenstechnische Anlagen, z.B. Mischer, Drehfilter, auch in der Nahrungsmittelindustrie

Planetengetriebemotor - seine anerkannten Vorteile
- Platzsparend 
- Kraftvoll 
- Hohe Übersetzungsverhältnisse 
- Kompakt montierbar 
- Viele Größen: 16 bis 90 mm Durchmesser 
- Viele Getriebeübersetzungen 
Baureihen lassen sich anforderungsgerecht modifizieren und erweitern
Hier finden Sie Ihren gewünschten Planetengetriebemotor in verschiedenen Baureihen, die Ihnen die richtige Wahl erleichtern. Die Gruppierung in Baureihen sagt etwas über die jeweilige Bauform und identische Getriebeteile aus. Die weitere Ausstattung lässt sich optional bezüglich des konkreten Anwendungsfalls konfigurieren.
- Modifikation der Abtriebswelle mit Passfeder- oder Scheibenfedernut, Flächen oder zusätzlichem Innengewinde
- Anbau von Hall-IC, Encoder, Tacho oder Bremsen
- Montage mit von Ihnen vorgegebenen Anbauteilen, z.B. Gummi-Metall-Puffer, Kupplung oder Haltewinkel
Planetengetriebemotor | Einsatz in vielen Branchen
- Sonderfahrzeugbau
- Sondermaschinenbau
- Werkzeuge
- Fertigungstechnik
- Luft- und Raumfahrttechnik
- Gebäudetechnik
- Medizintechnik
- Sanitärtechnik
- Haushaltsgeräte
Die aufwendige Bauweise eines Planetengetriebemotors

Das Explosionsbild zeigt die aufwendige Bauweise eines Planetengetriebemotors mit einem dreistufigen Getriebe. Jede Getriebestufe reduziert die Drehzahl und erhöht das Drehmoment. Das hohe Drehmoment verteilt sich auf mehrere Zahnräder. Die Zahnräder bei der ersten Stufe sind meistens aus Kunststoff, um die Geräusche zu dämmen. Die erste Stufe dreht sehr schnell – die meisten DC-Motoren bei 5000-9000 U/min. Die weiteren Zahnräder sind aus Kunststoff oder Stahl. Wenn eine andere Übersetzung gefordert ist, können wir den DC-Motor ganz einfach mit einem anderen Getriebe ausstatten – so wie es zu Ihrem Anwendungsfall optimal passt.
Ein Planetengetriebemotor kann lauter sein als ein DC-Motor mit einer anderen Getriebeart. Auftretende Geräusche lassen sich zusätzlich dämmen, indem schrägverzahnte Zahnräder eingebaut werden. Wie unterschiedlich Geräuschemissionen sind, weiß man z.B. von PKWs: Die Vorwärtsgänge sind meistens schrägverzahnt und leise, während der Rückwärtsgang meistens gerade verzahnt ist und ein charakteristisches, jaulendes Geräusch von sich gibt.
Häufig wird leider vernachlässigt, dass schon einfach ein Longlife-Fett einen Planetengetriebemotor darin unterstützt, sehr zuverlässig und langlebig zu sein.

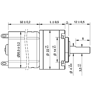
Planetengetriebemotor mit allen zugehörigen Einbau- und Anschlussdetails
Anschluss, Schaltung, Antriebswellen
Zu jedem Planetengetriebemotor bekommen Sie von uns die zugehörigen Schemazeichnungen sowie die Informationen zu Schaltung, Anschluss und Antriebswellen.

CAD-Daten und Motor-Kennlinien
Falls Sie auch CAD-Daten benötigen, dann stellen wir sie Ihnen auf Anfrage zur Verfügung. Zu jedem unserer Planetengetriebemotore haben wir die CAD-Daten und die Motor-Kennlinien vorliegen. Letztere zeigen Ihnen, mit welchen Drehzahlen entsprechende Drehmomente erreicht werden. Ebenso ist die Stromaufnahme dargestellt.

Planetengetriebemotor | Ihre Fragen & Antworten
Eine Motorkennlinie ist ein Diagramm, dass das Verhalten eines Planetengetriebemotors anhand von Stromverbrauch, Drehzahl und Drehmoment darstellt.
Ja, nahezu alle Steuerungen sind bei uns SPS-kompatibel.
Ein Hall-IC ist ein Sensor, der magnetische Felder dedektiert. Er wird oft in Verbindung mit einem Planetengetriebemotor eingesetzt, um Drehzahl und Drehrichtung zu bestimmen.
Interessantes aus der Presse
Wie funktioniert das Planetengetriebe einer Schaltautomatik im Fahrzeug?
Planetengetriebe, auch Umlaufgetriebe, sind Maschinenbausteine, die mit einigen sehr vorteilhaften Eigenschaften gesegnet sind und daher in allerhand Anwendungen glänzen. Sie fungieren als Verteiler- oder Summiergetriebe, als sehr kompakte Übersetzungsstufen und als Kernstück klassischer Automatikgetriebe.
Mehr dazu Wie funktioniert das Planetengetriebe?
 
            
        













