DC-Motore mit Stirnradgetriebe eignen sich für alle Antriebe mit parallelen Abtrieben wie auch bei höheren Drehmomenten und niedrigeren Drehzahlen.
Stirnradgetriebemotore
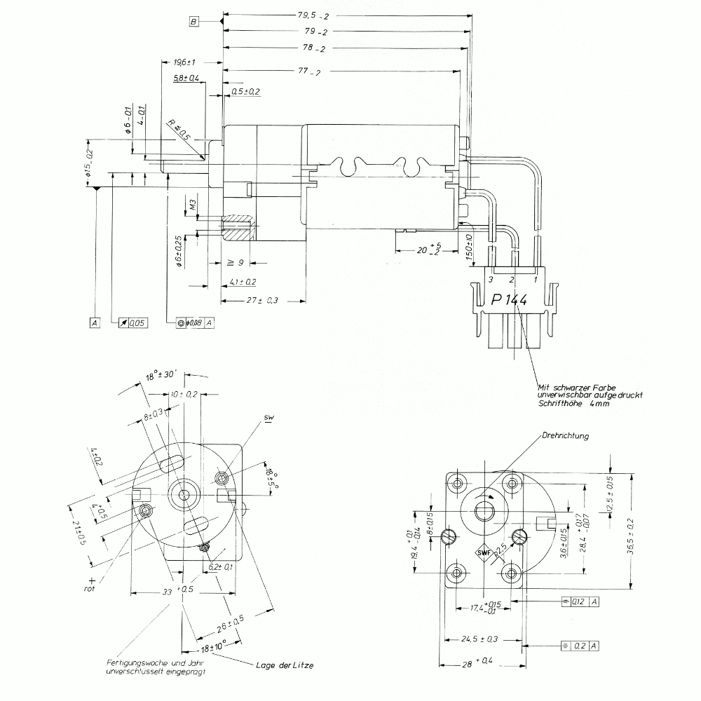
Baureihe GMAG Motor-Typ 404161
 
            | Motor Typ | 404161 | 
|---|---|
| Art | DC | 
| Nennspannung (VDC) | 12 | 
| Leistung (W) | 4 | 
| Leerlaufdrehzahl (Upm) | 160 | 
| Nenndrehzahl (Upm) | 136 | 
| Nenndrehmoment (Nm) | 0.12 | 
| Anzugsdrehmoment (Nm) | 0.85 | 
| Getriebeübersetzung | 31:1 | 
| Rückdrehmoment (Nm) | 0.5 | 
| Hochlaufzeit (ms) | 100 | 
| Bremszeit ohne (ms) | 330 | 
| Bremszeit mit (ms) | 100 | 
| Widerstand (Ohm) | 7/6 | 
| Induktivität (mH) | 5/5.5 | 
| Läuferträgheitsmoment (gcm²) | 1.9E-6 | 
| Welle 1 | W74 | 
| Schaltbild | S22 | 
| Anschluss | K12 | 
 
            
                 
            
            
            
                
            
            
                 
            
        Technische Beschreibung
Motorgehäuse: rolliert, korrosionsgeschützt
Magnetfeld: Permanentmagnet
Lagerung Anker, A-Seite: Gleitlager
Lagerung Anker, B-Seite: Gleitlager
Getriebe: Stirnradgetriebe
Getriebegehäuse: Kunststoff
Getrieberad: Stahl, Bronze oder Kunststoff
Getriebeschmierung: Fett, Dauerschmierung
Schnittstelle mechanisch: Abtriebswelle
Schnittstelle elektrisch: Litzen mit Stecker oder Litzen verzinnt
Hinweise
Modifikation der Abtriebswelle mit Passfeder- oder Scheibenfedernut, Flächen oder zusätzlichem Innegewinde.
Anbau von Hall-IC, Encoder, Tacho oder Bremsen auf Anfrage möglich.
Auch montieren und liefern wir Motore mit von Ihnen vorgegebenen Anbauteilen, wie z.B. Gummi-Metall-Puffer, Kupplung oder Haltewinkel.
SALE | Abverkauf von Stirnradgetriebemotoren zu Sonderpreisen
Räumung von übrigen Lagerbeständen aus Kundenprojekten

Stirnradgetriebemotor S032029.0100.00 | SALE
Eckdaten zum Stirnradgetriebemotor S032029.0100.00
- DC-Motor
- Nennspannung (VDC): 24
- Leerlaufdrehzahl (UpM): 50
- Nenndrehmoment (Nm): 0.4
Lagerbestand: 183 Stück
Sonderpreis: 13,40 Euro Stückpreis zzgl. MwSt. und Versand
(Stückpreis ab Abnahmemenge von mind. 100 Stück)

Stirnradgetriebemotor S036057.0100.00 | SALE
Eckdaten zum Stirnradgetriebemotor S036057.0100.00
- DC-Motor
- Nennspannung (VDC): 24
- Leerlaufdrehzahl (UpM): 55.5
- Nenndrehmoment (Nm): 0.6
Lagerbestand: 129 Stück
Sonderpreis: 18,00 Euro Stückpreis zzgl. MwSt. und Versand
(Stückpreis ab Abnahmemenge von mind. 100 Stück)
Der richtige Stirnradgetriebemotor in nur drei Schritten

Sie brauchen den richtigen Stirnradgetriebemotor für Ihren Anwendungsfall. Ihre Muss-Kriterien: Kleine Drehmomente und kostengünstig.

Passgenau zu Ihrer Spezifikation zeigen wir Ihnen den optimalen Stirnradgetriebemotor. Sie bekommen alle Motorabmessungen und detaillierten Leistungsdaten. Wenn erforderlich, dann testen wir ihn auch auf unserem Motorprüfstand.

Baureihe S032020
Stirnradgetriebemotor - Anwendungsfelder
Automatisierung in Industrie, Büro, Labor und Haushalt
Schwenkmechanismen; Uhrwerke; Nachführsysteme; Positioniersysteme wie z.B. Kamerabewegungen; Bürosysteme wie Drucker, Aktenvernichter, Schredder aber auch Computertechnik; Spielzeug; Fahrkartenautomaten; Kontaktschließer; Laborsysteme; Küchengeräte, Dosiersysteme etc.

Anerkannte Vorteile des Stirnradgetriebemotors
- Einfacher Aufbau
- Kostengünstig
- Vielseitig einsetzbar
- Gut kombinierbar
- Verschiedene Bauformen
- Zentraler oder dezentraler Getriebewellenabgang
Hier finden Sie den gewünschten Stirnradgetriebemotor in den vielen weiteren Baureihen, die Ihnen die richtige Wahl erleichtern. Die Gruppierung in Baureihen sagt etwas über die jeweilige Bauform und identische Getriebeteile aus. Die weitere Ausstattung lässt sich optional bezüglich des konkreten Anwendungsfalls konfigurieren
Stirnradgetriebemotor | Einsatz in vielen Branchen
- Robotik
- Fertigungstechnik
- Medizintechnik
- Labortechnik
- Automatentechnik
- Sicherheitsindustrie
- Konsumelektronik
- Bürotechnik
- Solarsysteme
- Gebäudetechnik
- Klimatechnik
- Haushaltstechnik

Immer mit allen zugehörigen Einbau- und Anschlussdetails
Zu jedem Stirnradgetriebemotor bekommen Sie von uns die zughörigen Schemazeichnungen sowie die Informationen zu Schaltung und Anschluss. Ebenso zeigen wir Ihnen die verschiedenen, einsetzbaren Antriebswellen auf.
Motor-Kennlinie
Außerdem geben wir Ihnen für jeden Motor die Kennlinie, wie wir ihn standardmäßig unter Belastung auf unserem eigenen Motor-Prüfstand testen. Wenn Sie für Ihren Anwendungsfall spezifische Belastungsgrößen wissen wollen, dann können wir das gern auf Wunsch nachstellen.

Stirnradgetriebemotor | Ihre Fragen & Antworten
Ja, Stirnradgetriebemotore lassen sich in ihrer Drehzahl mit einem PWM-Signal steuern.
Ja, ein Stirnradgetriebemotor kann je nach Modell im Betrieb durchaus +60 Grad Celsius erreichen.
Ja, wenn die Versorgungsspannung gedrosselt wird, dann sinkt die Drehzahl.
Bitte senden Sie uns eine E-Mail an info@elektromotore.eu mit Ihren Kontaktdaten und zu welchem Motor Sie das CAD-Modell benötigen.
 
            
        












