
Motorsteuerungen
für DC-Motor und BLDC-Motor
Programmierbar, kompakt und robust
In Standard- oder kundenspezifischen Ausführungen erfüllen unsere elektronischen Steuerungen für DC-Motoren wie auch für BLDC-Motoren die verschiedensten Anforderungen. Jede Steuerung ist kompakt gebaut, robust konstruiert und über handelsübliche Steckkontakte anschließbar. Über programmierbare digitale und analoge Eingänge und Ausgänge lassen sich Drehrichtung, Drehzahl, Rampen, dynamische Bremsung, Stromzufuhr etc. steuern.
Motorsteuerung 06.04.212

Artikelnummer | 06.04.212 |
---|---|
Artikelart | MAXI-GMF-8-30 |
Motorart | DC |
Bus | nein |
Überstromabschaltung | |
Drehrichtung | Eine Drehrichtung |
Max Strom | 15 |
Dauerlaststrom | 8 |
Versorgungsspannung Steuerkreis | 24 (10-35) VDC |
Versorgungsspannung Lastkreis | 24 (10-35) VDC |
Spannung | 24 |

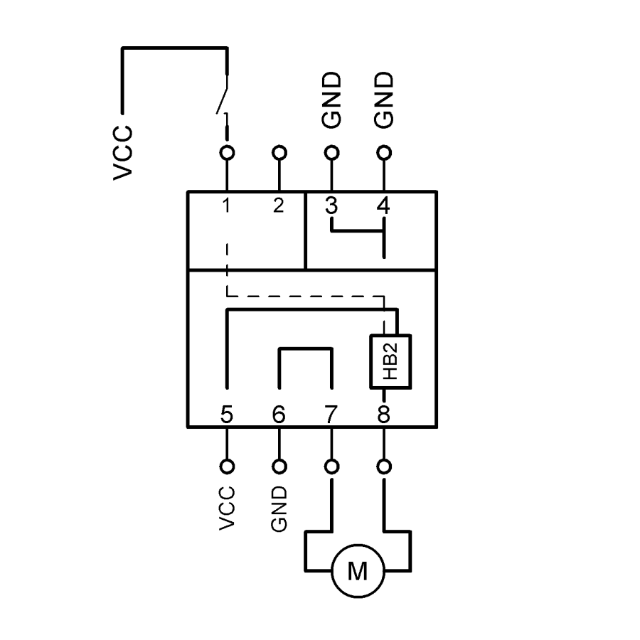
Technische Beschreibung
Das Modul MAXI-GMF-8-30 ist eine Einquadranten-Motorsteuerung für DC-Motoren zur Verwendung im industriellen Umfeld. Sie gewährleistet das Ein- und Ausschalten von Motoren.
Die Baugruppe besitzt eine integrierte Freilaufdiode.
Die digitalen Eingänge und der Lastkreis sind galvanisch getrennt.
Hinweise
Ausführung für Schaltströme bis 8 A
Steuerung mit folgenden Funktionen:
- Überlastabschaltung
- Kurzschlusserkennung
- Integrierte Freilaufdiode
- galvanische Trennung
Zum Aufschnappen auf die DIN Schiene EN 50022
Baubreite: 22,5 mm
Die diversen Angaben im Produktfilter für die Motorsteuerungen zeigen bereits die Vielfalt an Funktionen. Anhand der für Ihren Anwendungsfall entscheidenden Hauptkriterien lässt sich schnell die Auswahl an einsetzbaren Steuerungsmodulen eingrenzen. Die passende Steuerung ist somit schnell gefunden.

