DC-Motore ohne Getriebe sind in verschiedenen Varianten verfügbar. Über den Produktfilter lässt sich schnell der passende DC-Motor für den spezifischen Anwendungsfall finden, wo eigene Getriebe vorhanden sind. Gegebenenfalls sind Getriebe in der Applikation aus Kostengründen bereits fest eingebaut oder um das Getriebespiel zu minimieren, aber wo doch die Flexibilität in der Motorwahl gefordert ist. Um beispielsweise fallweise auch mit hohen Drehzahlen arbeiten zu können, wie es bei Pumpenvarianten vorkommt, oder die Genauigkeit der Lasertechnik es erfordert.
Motore ohne Getriebe
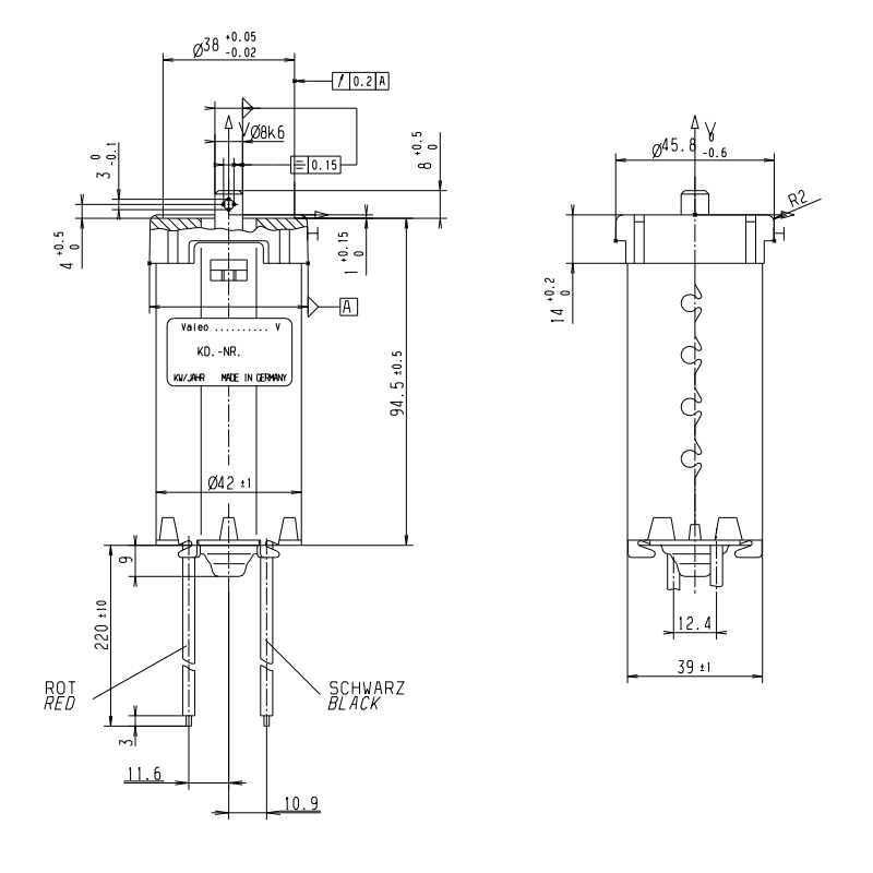
Baureihe GMP Motor-Typ 402944

Motor Typ | 402944 |
---|---|
Art | DC |
Nennspannung (VDC) | 12 |
Leistung (W) | 30 |
Leerlaufdrehzahl (Upm) | 2800 |
Nenndrehzahl (Upm) | 2380 |
Nenndrehmoment (Nm) | 0.08 |
Anzugsdrehmoment (Nm) | 0.15 |
Hochlaufzeit (ms) | 80 |
Bremszeit ohne (ms) | 450 |
Bremszeit mit (ms) | 140 |
Widerstand (Ohm) | 1/0.85 |
Induktivität (mH) | 0.63/0.5 |
Läuferträgheitsmoment (gcm²) | 1.4E-5 |
Welle 1 | W7 |
Schaltbild | S27 |
Anschluss | K163 |


Technische Beschreibung
Motorgehäuse: rolliert, korrosionsgeschützt
Magnetfeld: Permanentmagnet
Lagerung Anker, A-Seite: Kugellager oder Gleitlager
Lagerung Anker, B-Seite: Kalottenlager
Getriebe: ---
Getriebegehäuse: ---
Getrieberad: ---
Getriebeschmierung: ---
Schnittstelle mechanisch: Abtriebswelle
Schnittstelle elektrisch: Stecker oder Litzen mit Stecker oder Litzen verzinnt
Hinweise
Modifikation der Abtriebswelle mit Passfeder- oder Scheibenfedernut, Flächen oder zusätzlichem Innegewinde.
Anbau von Hall-IC, Encoder, Tacho oder Bremsen auf Anfrage möglich.
Auch montieren und liefern wir Motore mit von Ihnen vorgegebenen Anbauteilen, wie z.B. Gummi-Metall-Puffer, Kupplung oder Haltewinkel.
Neu | BLDC-Motor ohne Getriebe - ein Außenläufermotor

Mit dem M042022 und dem M043022 haben wir einen neuen Motortyp in unserer Produktkategorie Motore ohne Getriebe aufgenommen. Beides sind BLDC-Motore. Sie sind insofern etwas Besonderes, weil sie ein Außenläufermotor sind. Ihr Motorgehäuse ist aus Metall, sie arbeiten in links/rechts-Richtung mit 24 Volt Spannung, einer Leistung von 41 bzw. 19,6 Watt und bei einer Leerlaufdrehzahl von 6710 bzw. 3800 Umdrehungen pro Minute. Ihr Nenndrehmoment liegt bei 0,083 bzw. 0,075 Nm.
Generell können wir Ihnen diese 24V-Außenläufermotoren anbieten:
- Von 22 mm bis 92 mm Durchmesser
- Von 3 bis 260 Watt Leistung
- Bis 9000 U/min
- Fast alle lassen sich mit einem Getriebe ausstatten.
Worin liegt der Unterschied im Motoraufbau bei Außenläufermotor und Innenläufermotor?
Ein Außenläufermotor besteht aus einem Stator mit Spulen und einem Rotor mit Permanentmagneten. Bei einem Innenläufermotor, den üblichen BLDC-Motoren, sind die Magnete an der Achse befestigt, die sich an der Innenseite der Statorspulen (Motortopf) dreht. Bei diesem Außenläufermotor sind dagegen die Magnete am Motortopf an der Außenseite der Statorspulen angebracht. Aus diesem Grund dreht sich bei diesen Motoren nicht nur die Achse, sondern der gesamte Motortopf (Gehäuse). Außerdem ist bei Außenläuferantrieben der Luftspalt geringer, weil keine Rotorbandage vorhanden ist. Auch dieser Luftspalt zwischen Rotor und Stator beeinflusst den Flächenschub und somit Drehmoment und Leistung.
Welche Vorteile hat ein Außenläufermotor?
Der entscheidende Vorteil bei einem Außenläufermotor liegt im längeren Hebelarm, da die Kraft weiter vom Rotationszentrum entfernt erzeugt wird. Der längere Hebelarm führt zum höheren Drehmoment. Dadurch kann ein Außenläufermotor weit größere Drehmomente erreichen als ein Innenläufermotor bei vergleichbarem Bauvolumen. Ein Innenläufermotor ist eben häufig mit Getriebe ausgeführt, um das gewünschte Drehmomentniveau zu erreichen. Das Getriebe führt jedoch zu größerem Bauvolumen, mechanischen Verlusten und öfter zu geringerer Genauigkeit. Wenn also der Bauraum sehr begrenzt und ein hohes Drehmoment nötig ist, ist ein Außenläufermotor oft eine gute Wahl.


DC-Motor ohne Getriebe >> Anwendungsfelder in Industrie und Haushalt
Antriebstechnik für individuell gefertigte Geräte und Getriebe, Pumpen, Rüttelmaschinen, Vibrationsantrieb, Mixer, Spielzeug, Körperpflegegeräte, Küchengeräte, Klimaanlagen

DC-Motor ohne Getriebe >> anerkannte Vorteile
Solider, robuster Aufbau
Unterschiedlichste Größen
Hohe Drehzahlen
Einfache Energieversorgung
Gut anwendbar auf eigene Geräte
DC-Motor ohne Getriebe | Einsatz in vielen Branchen
Sondermaschinenbau
Hydraulikanlagen
Pneumatiksysteme
Fertigungsindustrie
Gebäudetechnik
Konsumelektronik
Haushaltsgeräteindustrie
Medizintechnik


DC-Motor ohne Getriebe | Ihre Fragen & Antworten
JBW betreibt in München einen umfangreichen Motorprüfstand, mit dem wir auch Fremdmotoren auf Herz und Nieren testen und mit den Anforderungen vergleichen können. Anhand der ermittelten Leistungsdaten können wir Ihnen in der Regel einen adäquaten Ersatzmotor anbieten.
Die meisten der DC-Motore im JBW-Produktportfolio liegen in einem Leistungsbereich bis 500 Watt.
Die meisten unserer DC-Motore werden mit 24V DC oder 12V DC betrieben. Je nach Anwendungsfall sind aber auch andere Spannungen realisierbar.
Unsere DC-Motore bezieht JBW sowohl aus Europa als auch aus Asien.