Spur Gear Motors
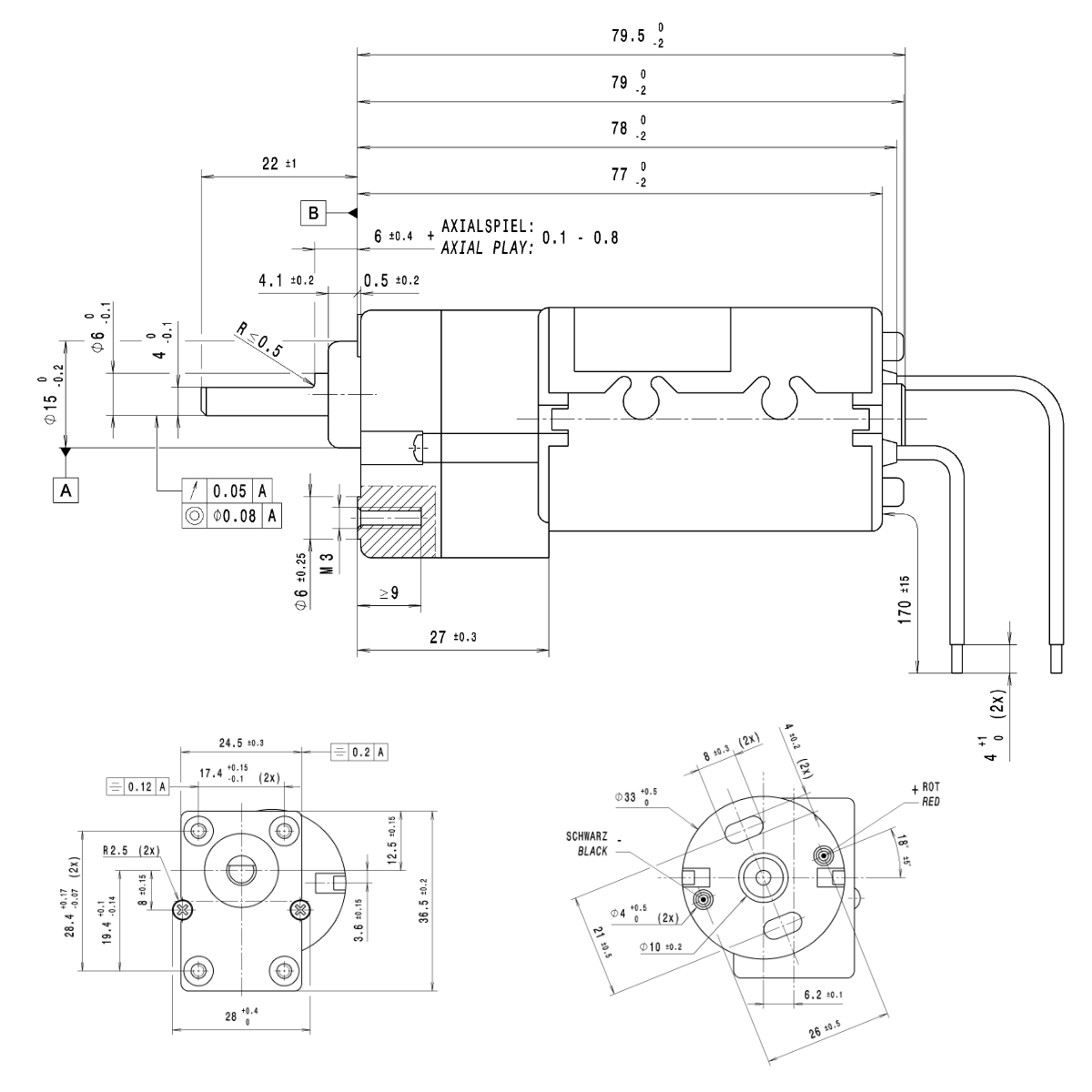
Series GMAG motor-type 402781
| Motor type | 402781 |
|---|---|
| Type | DC |
| Rated voltage (VDC) | 24 |
| Rated power (W) | 8 |
| No load speed (Upm) | 55 |
| Rated speed (Upm) | 47 |
| Rated Torque (Nm) | 0.5 |
| Stall torque (Nm) | 3 |
| Gearbox transmission | 109:1 |
| Self-locking (Nm) | 0.5 |
| Run-up-time (ms) | 80 |
| Braking time w/o (ms) | 320 |
| Braking time with (ms) | 80 |
| Resistance (Ohm) | 13/11 |
| Inductance (mH) | 5/5.5 |
| Rotor moment of inertia (gcm²) | 1.8E-6 |
| Shaft 1 | W73 |
| Circuit diagram | S30 |
| Connection | K14 |
Technical description
Crankcase: rolled, corrosion-resistant
Magnet field: permanent magnet
Mounting armature, A-position: plain bearing
Mounting armature, B-position: plain bearing
Gear type: spur gear
Gear box: plastic
Gear wheel: steal, bronze or plastic
Lubrication: grease, permanent lubrication
Interface mechanical: output shaft (spindle)
Interface electrical: litz wire with connector or tin-plated litz wire
Notices
Modification of the output shaft with feather or woodruff key, plains or additional internal threat.
Mounting on demand of hall-IC, encoder, tacho sensor or brakes.
If required, we mount and deliver motors with any add-on parts, e.g. rubber-metal buffer, clutch or any brackets.
The right spur gear motor in just three steps

You need the right spur gear motor for your application. Your must-have criteria: Low torques and cost-effective.

We will show you the optimum spur gear motor for your specification. You will receive all motor dimensions and detailed performance data. If necessary, we can also test it on our drive test bench.

S032020 series
Spur gear motor - Fields of application
Automation in industry, office, laboratory and household
Swivel mechanisms; clockworks; tracking systems; positioning systems such as camera movements; office systems such as printers, document shredders, shredders but also computer technology; toys; ticket machines; contact closers; laboratory systems; kitchen appliances; dosing systems etc.
Motor characteristic curve
We also provide you with the characteristic curve for each motor, as we test it as standard under load on our own drive test bench. If you want to know specific load values for your application, we will be happy to adjust them on request.

Spur gear motor | Your questions & answers
Yes, the rotation speed of spur gear motors can be controlled with a PWM signal.
Yes, a spur gear motor can reach +60 degrees Celsius during operation, depending on the model.
Yes, if the supply voltage is throttled, the rotation speed drops.
Please send us an e-mail to info@elektromotore.eu with your contact details and the engine for which you require the CAD model.














